Montážní materiál AL-KO pro tlumič k listovým pružinám STARR (1800 kg) / 1 ks
Kód: 101240
Rychlé vyřízení objednávky

Vstřícné a férové jednání je u nás na prvním místě!

Specializovaná prodejna Liberec
Detailní popis produktu
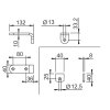
Montážní materiál pro uchycení tlumiče k nápravám STARR BS 1800 (1800kg). Jedná se o sadu na jedno kolo (pro uchycení obou tlumičů jsou tedy potřeba dva kusy).
Balení se skládá z výrobků označených červeně na úvodním výkresu.
Doplňkové parametry
| Kategorie: | AL-KO |
|---|---|
| EAN: | 12524808 |
Diskuze
Buďte první, kdo napíše příspěvek k této položce.
