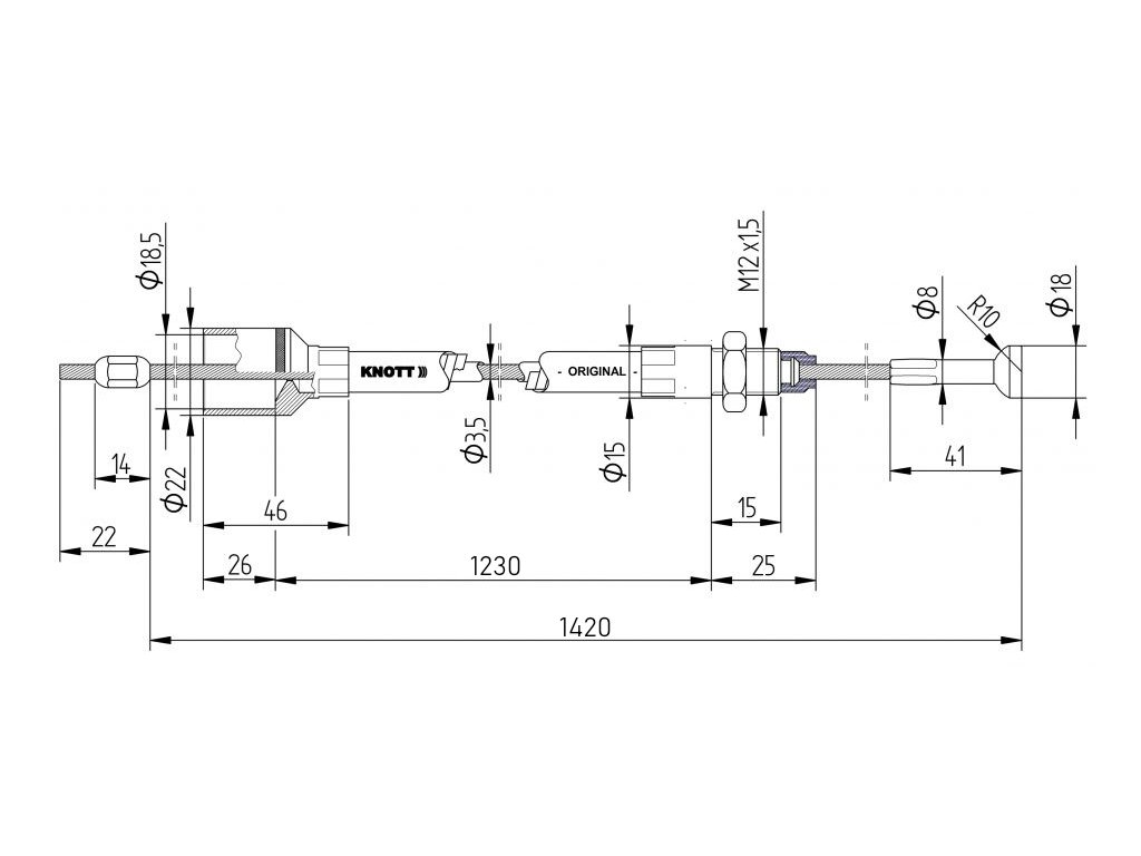
Lanovod brzdový KNOTT nerez 1230/1420 mm, rychlomont. (s čočkou)
Kód: 90336
Rychlé vyřízení objednávky

Vstřícné a férové jednání je u nás na prvním místě!

Specializovaná prodejna Liberec
Související produkty
Detailní popis produktu
- Originální brzdový lanovod KNOTT s teflonovou kluznou vložkou, nerezovým lankem a tukovými zátkami pro dokonale hladký chod s minimálním odporem.
- Vhodný zejména pro použití v náročných provozních podmínkách a na lodních přívěsech. Vykazuje také velmi dobrou životnost na přívěsech s delší odstávkou mezi jízdami, kdy zkondenzovaná vzdušná vlhkost může způsobit u standardních lan povrchovou korozi.
- Vhodný pro nápravy KNOTT GB/VGB do 1800 kg (např. GB8, GB10, GB13, GB15, GB18, VGB8, VGB10, VGB13, VGB15, VGB18) a kolové brzdové jednotky KNOTT 16-1365 (160x35), 16-1369/1 (160x35), 20-2425/1 (200x50), 20-2426/1 (200x50), 20-4320 (200x35), 20.32-1647 (203.2x40), 25-2025 (250x40), 25-2026 (250x40).
- UPOZORNĚNÍ: Na trhu se objevují neoriginální napodobeniny lanovodů KNOTT. Tyto napodobeniny mají odlišnou vznitřní konstrukci. V řadě případů se snaží použitím modrého opláštění napodobit vzhled originálních KNOTT lanovodů s nerezovým lankem. Veškeré závady brzdového systému vzniklé použitím neoriginálních napodobenin lanovodů jsou vyloučeny ze záruky.
- Zakončení lana rychlomontážní koncovkou (tzv. čočkou) umožňuje snadné a rychlé zapojení lana do nových vahadel KNOTT s bočním průřezem pro zavléknutí lana bez použití nářadí.
- Lanovody s rychlomontážní koncovkou doporučujeme měnit vždy všechny najednou. Při výměně pouze jednoho brzdového lana je vhodnější použití lanovodu se závitem (najdete také v naší nabídce), kde lze na závitu přesně přizpůsobit délku zbývajícím starším lanům.
- Lanovod nelze použít i v kombinaci se starším typem vahadla bez bočních průřezů pro rychlomontážní lana.
- Na straně kolové jednotky je lano ukončené zátiskem, kterým se zavléká do spojky lanovod - rozpěrka. Spojka lanovod - rozpěrka je součástí kolové brzdové jednotky každé nápravy. Lze ji objednat také samostatně pod obj. č. 90075.
- Upozornění: U brzdových systému se zanedbanou pravidelnou údržbou se v některých případech může jevit spojka lanovod - rozpěrka jako nalisovaná na laně - obzvláště starší litinové provedení spojky. Je to způsobeno korozí spojky v místě závleku zátisku. Spojku lze zpravidla vždy uvolnit a použít. Postrádá však již původní antikorozní ochranu.
- Nátrubek pro nasazení na vyústění kolové jednotky má vnější průměr 22 mm a vnitřní průměr 18,5 mm
- Pro dvounápravové přívěsy doporučuje KNOTT tzv. asymetrické zapojení lanovodů, kdy je přední náprava zapojena na jedné straně tandemového vahadla a zadní náprava je zapojena na druhé straně. To např. v případě vytržení jednoho lana při nehodě zajistí lepší symetrii brzdění zbylých kol.
- Symetrické zapojení lanovodů, kdy jsou obě levé kolové jednotky zapojené na levou stranu tandemového vahadla a obě pravé kolové brzdové jendotky zapojené na pravou stranu tandemového vahadle je rovněž přípustné a za běžného provozu funkčně obdobné asymetrickému zapojení.
Doporučené délky lanovodů dvouosých přívěsů VAPP (délky bovdenu v mm)
| montážní šíře nápravy "b" |
pravý př. | levý př. | pravý zad. |
levý zad. |
pravý zad. | levý zad. |
| rozvor 730 mm | rozvor 930 mm | |||||
| 1100 mm | 730 | 830 | 1430 | 1230 | ||
| 1300 mm | 830 | 930 | 1430 | 1430 | 1630 | 1530 |
| 1400 mm | 830 | 930 | 1430 | 1430 | ||
| 1500 mm | 930 | 1030 | 1530 | 1530 | 1630 | 1630 |
| 1720 mm | 1030 | 1230 | 1630 | 1530 | ||
| 1800 mm | 1030 | 1230 | 1630 | 1630 | ||
| 1820 mm | 1030 | 1230 | 1630 | 1630 | ||
Doporučené délky lanovodů pro jednoosé přívěsy (délky bovdenu v mm)
| montážní šíře | pravý | levý |
| nápravy "b" | ||
| 1100 mm | 730 | 730 |
| 1300 mm | 830 | 830 |
| 1400 mm | 930 | 930 |
| 1500 mm | 930 | 930 |
| 1800 mm | 1030 | 1030 |
Doplňkové parametry
| Kategorie: | KNOTT |
|---|---|
| EAN: | 00090322 |
| délka bovdenu (mm): | 1230 |
| délka lana (mm): | 1420 |
| vnější průměr koncovky u zátisku (mm): | 22 |
| vnitřní průměr koncovky u zátisku (mm): | 18.5 |
| zakončení: | Čočka - zátisk |
Diskuze
Buďte první, kdo napíše příspěvek k této položce.
